Kulite傳感器專用信號調理器
- 關 鍵 字:???信號調理器,KSC-2,ZSC-K
- 生產廠家:???澤天傳感
- 產品型號:???ZSC-K
- 數據手冊: Kulite傳感器專用信號調理器.pdf
- 產品特點:???精密激勵源;內置高精度濾波器和放大電路;極高的頻率特性。
- 典型應用:???配套美國Kulite公司的橋式傳感器
概述
ZSC-K系列是為Kulite傳感器專門設計的信號調理器,具有一個精密的電壓激勵源用來給傳感器提供激勵電壓,這個電壓典型值一般為5.000V或者10.000V。ZSC-K信號調理器內置高精度的濾波器和放大電路,確保傳感器信號經調理器后不會損失測量精度。ZSC-K一般采用純模擬電路來處理傳感器的信號,具有極高的頻率特性,傳感器信號經ZSC-K調理后,傳感器的頻率特性一般不受影響。
應用領域
配套美國Kulite公司的橋式傳感器。
技術參數
供電電源:15~32VDC;
輸入信號:惠登斯電橋信號;
輸出信號:傳感器信號;標準模擬信號;數字信號等;
頻率響應:≥500KHz;
工作溫度:-25℃~85℃;
外殼材質:LY-4;
沖 擊:20G ,11msec,1/2 sine;
震 動:10G peak,20 到 2400 Hz。
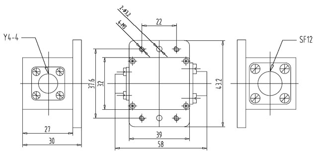
外形尺寸
選型指南
|
型 號 |
參 數 |
|
ZSC-K1型 |
電壓激勵,信號無放大 |
|
ZSC K2型 |
電壓激勵,輸出標準模擬信號 |
|
ZSC K3型 |
電壓激勵,輸出數字信號 |
電氣連接
Y4-4型電連接器,連接mV輸出的全橋型傳感器,引腳定義如下:
|
引腳序號 |
第一腳 |
第二腳 |
第三腳 |
第四腳 |
|
定義 |
激勵正 |
信號正 |
信號負 |
激勵負 |
SF12型電連接器,連接電源和信號處理單元,引腳和線纜顏色定義如下:
|
引腳序號 |
第一腳 |
第二腳 |
第三腳 |
第四腳 |
|
線纜顏色 |
紅色 |
黃色 |
綠色 |
黑色 |
|
定義 |
電源正 |
輸出信號正 |
輸出信號負 |
電源負 |
相關資料
1、ZSC-K型Kulite傳感器專用信號調理器外形尺寸 請點擊下載。




